''ΕΡΑΣΙΤΕΧΝΙΚΟ ΔΥΚΤΙΟ ΕΛΛΑΔΑΣ ΝΟΣΤΑΛΓΙΑ'' H ΚΑΛΥΤΕΡΗ ΕΛΛΗΝΙΚΗ ΜΟΥΣΙΚΗ ΑΠΟ ΤΑ 1960 ΜΕΧΡΙ ΣΗΜΕΡΑ ΟΛΟ ΤΟ 24ΩΡΟ . Ο ΣΤΑΘΜΟΣ ΤΩΝ ΜΕΓΑΛΩΝ ΕΠΙΤΥΧΙΩΝ ΤΟΥ ΕΛΛΗΝΙΚΟΥ ΠΕΝΤΑΓΡΑΜΟΥ ΣΤΗΝ ΕΛΛΑΔΑ ΜΕ ΕΚΠΛΗΚΤΙΚΗ ΠΟΙΟΤΗΤΑ ΗΧΟΥ HD.
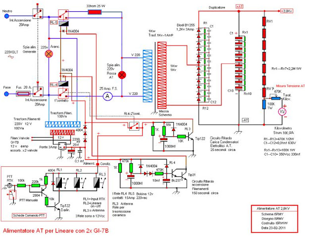
AKΟΛΟΥΘΕΙ ΤΟ ΣΧΗΜΑΤΙΚΟ ΜΕ ΤΑ ΥΛΙΚΑ ΤΟΥ
ΤΡΟΦΟΔΟΤΙΚΟ - POWER SUPPLY
Σημείωση: Μόνο ένα μέλος αυτού του ιστολογίου μπορεί να αναρτήσει σχόλιο.
Δεν υπάρχουν σχόλια:
Δημοσίευση σχολίου
Σημείωση: Μόνο ένα μέλος αυτού του ιστολογίου μπορεί να αναρτήσει σχόλιο.